Hallo Forum,
ich wollte mal genauer wissen, was eigentlich der Unterschied zwischen der Vorfaceliftpumpe und der Benzinpumpe nach 1978 ist.
Haben die den gleiche Druck oder nicht.
Haben die Unterschiedliche Fördermengen ?
Danke Lg
Hallo Forum,
ich wollte mal genauer wissen, was eigentlich der Unterschied zwischen der Vorfaceliftpumpe und der Benzinpumpe nach 1978 ist.
Haben die den gleiche Druck oder nicht.
Haben die Unterschiedliche Fördermengen ?
Danke Lg
Benzinpumpe wofür?
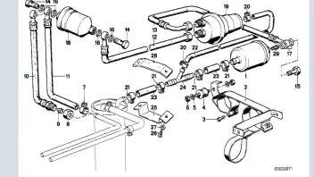
K-Jet ich habe einen 81 er und dort war die Benzinpumpe Bosch 0580254980 verbaut. Wenn ich eine neue kaufe bekommt man meistens eine Bosch BOSCH 0580464126. Die soll von 1979 aufwärts passen. Meine K-Jet Pumpeneinheit scheint aber eine alte zu sein vor 1979 den Mein Druckspeicher hat auch noch den dritten Anschluss.
Einen Druckspeicher wollte ich auch neu kaufen da er den Druck nicht mehr hält und sobald man den Wagen abstellt erst wieder Druck aufbauen muss.
Hier bräuchte ich eine Bosch 0438170021 die ich auch nicht mehr finde. Man bekommt nur die 0438170007. Lt. Fahrzeugliste ist der für 318i und 320i bestimmt.
Daher Fragen über Fragen Für ein Fachmann vielleicht einfachste Lösung ![]()
Moinsen
Meines Wissens gibt es da heute keinen Unterschied mehr bei den Benzinpumpen.
Und bei den Druckspeichern ist es auch so. Speicher mit dem dritten Anschluss gibt es nicht mehr.
Hab die 0438170007 hier liegen und die hat 2 zum schrauben und eine zum aufstecken denke um den überdrück abzuleiten, sind bei mir auch 3 anschlüsse...
gruss Matthias
die Benzinpumpe selber hat keine anderen Anschlüsse für einen Rücklauf. Die sind dann nur beim Druckspeicher in Verbindung mit einem Y-Schlauchverteiler zu finden.
Die Benzinpumpen liefern alle den gleichen Druck.
Die frühen Benzinpumpen haben allerdings einen Anschluß für Hohlschraube. Bei den späteren ist nur noch ein normaler Schlauchanschluß zum Aufstecken vorhanden. Kann man also beliebig tauschen, wenn der Rest auch gewechselt wird![]()
Gruß Ekki
edit: die Halterung der ganzen Einheit hat sich auch verändert. Der Benzinfilter ist größer geworden und die ganzen Anschlüsse untereinander sind teilweise anders. Die Benzinpumpen hatte original aber wohl alle den Anschluß für Ringnippel. Theoretisch kann man aber auch eine Audipumpe nehmen
... man muß nur die Anschlüsse untereinander anpassen.
Hab die 0438170007 hier liegen und die hat 2 zum schrauben und eine zum aufstecken denke um den überdrück abzuleiten, sind bei mir auch 3 anschlüsse...
gruss Matthias
Das sind die alten Druckspeicher.
Diese Bauart gibt es nicht mehr. Die aktuellen Speicher haben nur noch die beiden Schraubanschlüsse
Super Danke für Euere Infos....
Hallo,
Ich hab vor einigen Jahren auch von Y-Anschluss, auf einfach umgebaut. (VFL auf NFL) Den Filter-Schraub auf Filter Steck. Läuft einwandfrei! ![]()
Gruß
Harry aus essen
Uiii
Da bin ich ja nicht wenig überrascht, dass es die mit dem zusätzlichen Anschluss noch geben soll.
Sollte sich den jemand bestellen, bitte berichten was gekommen ist.
Übrigens, diese gab und gibt es für den 323i.
habe mir folgenden bestellt
https://www.ebay.de/itm/BOSCH-DRUC…353.m2749.l2649
mal schauen was kommt soll lt. DHL morgen kommen , ich werde berichten.
Neue Schläuche auch gleich und ich habe das Y Teil behalten erstmal. Wenn das bestellte Teil passt lass ich es erstmal.
So heute gekommen mit der Post.
Also er ist schon einiges kleiner ! Was denkt Ihr funktioniert der trotzdem. Verbindungen passen ja.
mfg[Blocked Image: https://abload.de/img/20190905_1552471jzjfe.jpg]
[Blocked Image: https://abload.de/img/20190905_1552331mrkam.jpg]
klar funzt der
Update heute...alles eingebaut Druckspeicher und neue Schläuche. Pumpe macht keine Geräusche mehr und das KFZ springt auch wieder sofort an wie es soll.
mfg
Moinsen
Und wenn der Wagen auf Betriebstemperatur ist und du ihn dann abstellst, springt er dann 1-2 Minuten
danach sofort wieder an?
Das würde die einwandfreie Funktion des Druckspeichers bestätigen
Moinsen
Und wenn der Wagen auf Betriebstemperatur ist und du ihn dann abstellst, springt er dann 1-2 Minuten
danach sofort wieder an?
Das würde die einwandfreie Funktion des Druckspeichers bestätigen
Jo passt ...heut Probefahrt gemacht und springt auch ohne mucksen an...
Ist lange her aber wollte mal fragen was hier drin steckt. Pures Gold direkt aus dem ALL?
![]()
Das ist ein absolutes Sondermodell. Versuche mal irgendwo Kraffstoffpumpen zu finden.
Kraftstoffpumpen dagegen, gibt es überall und in sämtlichen Preislagen...
nee, die hat halt den alten Anschluss für die Ringnippelleitung. Würde ich aber auf normalen Schlauchanschluß ändern, bevor ich soviel Kohle dafür ausgebe...
Gruß Ekki
Die für noch ältere Baujahre kosten 459,00 und die ab 08/1978 180€.
Ich wusste nicht, dass die so teuer geworden sind. Ich habe eine neue vor Jahren gekauft für ca. 30€ auf verdacht, dass meiner nicht mehr richtig funktionieren würde. Die aber dennoch voll funktionsfähig ist und auch die erforderte minimum Anforderungsmenge fördert.
Den gebrauchten werde ich jetzt mal in einen Safe schön sauber staubfrei verschliesen.
Warum ich hier gelandet bin sind eigentlich die Kraftstoffleitungen, die ich an der Benzinpumpeneinheit wechseln wollte. Da verbrennt man sich auch die Finger.
Don’t have an account yet? Register yourself now and be a part of our community!